HẨU CHỤP BULONG STAHLWILLE 05020030 | ĐẦU CHỤP BULONG STAHLWILLE 05020030 | 3/4" | 30 mm

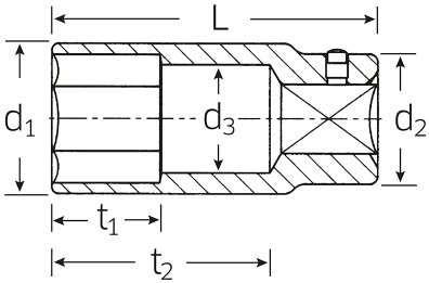
- Khẩu chụp bulong Stahlwille 05020030 là loại đầu khẩu công nghiệp, chuyên dùng để siết bulong, có size đầu vào vuông 3/4", size đầu ra 30 mm. Đầu chụp bulong Stahlwille 05020030 có 6 cạnh được chế tạo từ thép vanadi mạ chrome.
- Khẩu chụp bulong Stahlwille 05020030 thuộc dạng đầu khẩu cơ bản, dạng dài, có chiều dài: 90 mm. Sử dụng phổ biến cho các thiết bị siết tay, hoặc súng siết co xung lực va đập nhỏ.
- Tiêu chuẩn chế tạo: DIN 3124/ISO 2725-1.
- Made in Germany.
-
Thông tin sản phẩm niêm yết tại hãng.

-
Catalogue, thông số sản phẩm chi tiết.



- Đơn giá: vui lòng liên hệ với chúng tôi để biết chi tiết.
- Xuất xứ: Stahlwille/Germany.
- CO, CQ do nhà sản xuất Stahlwille/Germany cấp.
- Bảo hành: 6 tháng.
- Quy cách đóng gói: hộp carton.
- Thời gian giao hàng: 2 - 3 ngày đối với hàng có sẵn tại Việt nam, 10-30 ngày đối với hàng không có sẵn tại Việt nam.
- Giao hàng toàn quốc, vui lòng tham khảo chính sách giao hàng phía dưới website.






















